Шаговый регулятор мощности TT-S6 предназначен для последовательного подключения 6-ти групп мощности электрокалориферов.
Предназначен для систем приточной вентиляции с мощными электрическими калориферами, подогревающими воздух.
Шаговый регулятор имеет 6 выходных реле для регулирования мощности электрокалорифера, и один аналоговый выход для плавного регулирования последней ступени нагрузки.
Шаговый регулятор управляется входным сигналом 0-10 В, подаваемый управляющим контроллером.
Использование шагового регулятора совместно с контроллером дает возможность плавного управления электрическим калорифером до 168 кВт.
Микропроцессорные шаговые регуляторы предназначены для управления мощностью обогрева в системах вентиляции. Входным сигналом служит напряжение 0-10 В, поступающее от управляющего контроллера. Например, от терморегулятора Klimat 102.
Регулирование мощности происходит за счёт последовательного подключения ступеней мощности нагревателя и регулирования последней ступени с помощью блока БРМ-25(40), управляемого контроллером, посредством сигнала +5В. Переключение нагрузки осуществляется с помощью релейных выходов.
Количество подключаемых ступеней можно менять с помощью переключателя, установленного на лицевой панели прибора. При включении релейных выходов, на регуляторе загораются красные светодиоды, соответствующие выходам.

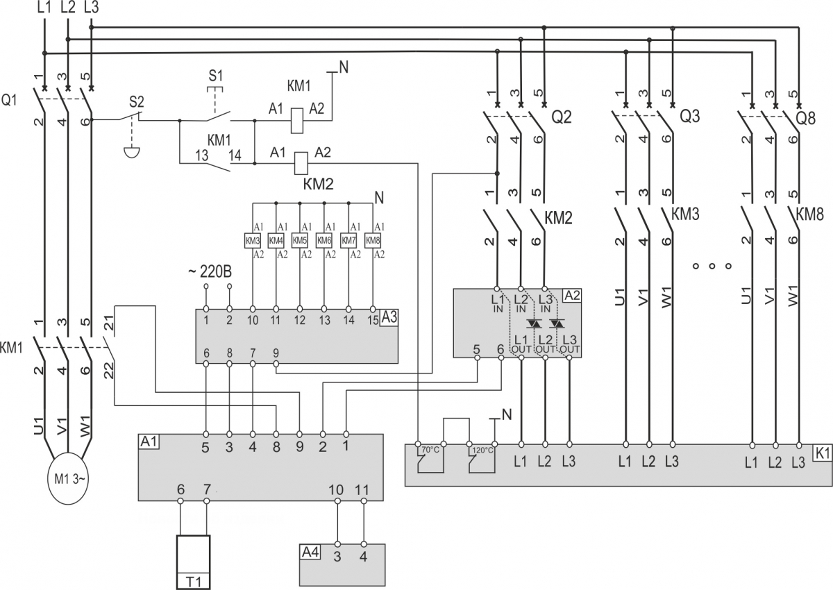
Q1- автоматический выключатель;
Q2-Q8 - автоматические выключатели для групп ТЭН-ов нагревателя;
M1 - двигатель вентилятора;
КМ1 - магнитный пускатель 22 и 21 - дополнительные контакты;
магнитного пускателя;
КМ2 - КМ8 - магнитные пускатели для групп ТЭН-ов нагревателя;
S1 - кнопка ПУСК;
S2 - кнопка СТОП;
А1 - контроллер Klimat102;
А2 - БРМ25 или БРМ40;
А3 - шаговый регулятор TT-S6;
А4 - трансформатор ~220/24В ТП12;
Т1 - датчик TD-K1000;
L1, L2 и L3 - сеть;
К1 - клеммная колодка электрического калорифера.
При нажатии кнопки S1 подается питание 220 В на катушку магнитного пускателя КМ1. Магнитный пускатель включается и на вентилятор подается питание 380 В. Так же в этот момент происходит замыкание магнитного пускателя КМ2, он подает питание на БРМ25(40). Дополнительные контакты 21 и 22 магнитного пускателя КМ1 замыкаются и на контакты 5 и 6 терморегулятора подается сигнал о включении вентилятора.
По этому сигналу терморегулятор переходит в рабочий режим. При включении автоматического выключателя Q2 подается питание на БРМ25 (БРМ40) 380 В и на вход реле шагового регулятораTT-S6 220 В. В рабочем режиме терморегулятор осуществляет регулирование температуры
приточного воздуха непрерывно считывая данные с датчика температуры ТЕ1. Терморегулятор управляет временем включения ТЭНов электрического калорифера, поддерживая заданную температуру воздуха, управляя БРМ25 (БРМ40) при помощи выходного сигнала +5 В. Этот сигнал подается с 7 клеммы терморегулятора. При не достаточной мощности будут подключатся последовательно дополнительные группы мощности при помощи шагового регулятора TT-S6. Входным сигналом служит напряжение 0-10 В от контроллера Klimat102. Этот сигнал подается с 2 клеммы контроллера Klimat102. В регуляторе TT-S6 предусмотрен аналоговый выход для плавного управления нагрузкой (клемма 8 TT-S6). Регулятор TT-S6 через релейные выходы (клеммы 10 - 16 TT-S6) будет последовательно подавать напряжение 220 В на катушки магнитного пускателя КМ2 - КМ8. При замыкании магнитных пускателей КМ3 - КМ8 подается последовательно питание 380 В с 2 по 7 группу мощности нагревателя. При нажатии кнопки S2 магнитный пускатель КМ1 выключается, двигатель вентилятора останавливается и терморегулятор переходит в режим останов. Автоматический выключатель Q1 защищает двигатель вентилятора от токов перегрузки и от короткого замыкания.
Автоматические выключатели Q2-Q8 защищают электрический канальный нагреватель. Для правильной работы системы на регуляторе TT-S6 нужно
выставить количество ступеней соответствующую количеству подключенных групп мощности, ступень, регулируемая контроллером через БРМ25(40) не учитывается.
Заказывайте и приобретайте у изготовителя оптом и в розницу контроллеры для вентиляционных систем TT-S6 от производителя. Производитель отгружает в города: Архангельск, Владивосток, Волгоград, Воронеж, Екатеринбург, Ижевск, Иркутск, Казань, Краснодар, Красноярск, Москва, Мурманск, Нижний Новгород, Новосибирск, Омск, Оренбург, Пенза, Пермь, Ростов-на-Дону, Самара, Саратов, Ставрополь, Тюмень, Чебоксары, Челябинск, Ярославль и другие регионы России, а также в Казахстан (Алматы), Беларусь (Минск).